x
Запись на установку
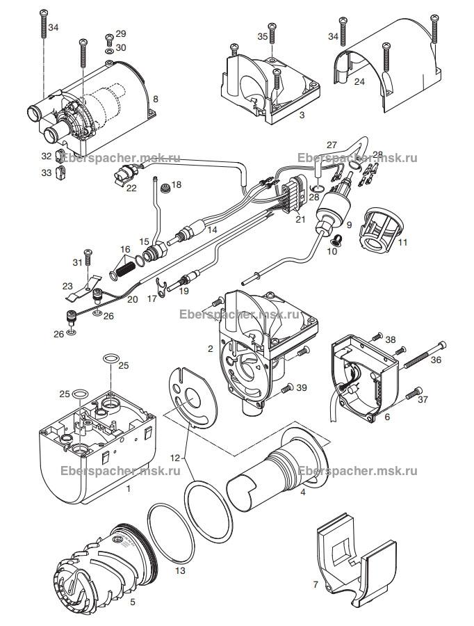
Графический каталог HYDRONIC B5 W SC
Показать табличный каталог запчастей HYDRONIC B5 W SCГрафический каталог HYDRONIC B5 W SC состоит из 3 страниц: | Показать графический каталог по подогревателю: |



Графический каталог HYDRONIC B5 W SC состоит из 3 страниц: | Показать графический каталог по подогревателю: |


