x
Запись на установку
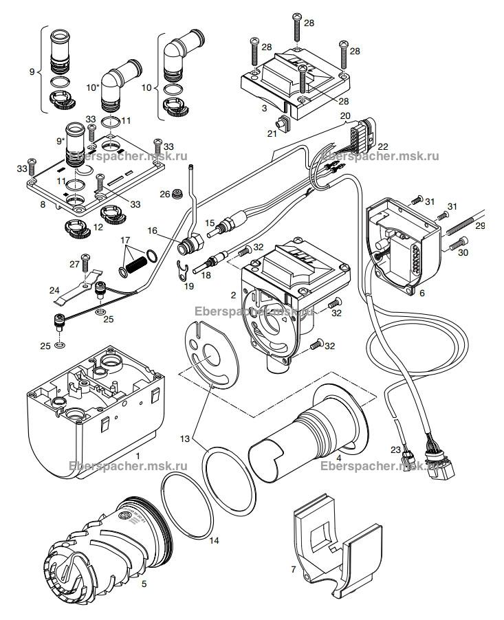
Графический каталог HYDRONIC D5 W S 12V
Показать табличный каталог запчастей HYDRONIC D5 W S 12VГрафический каталог HYDRONIC D5 W S 12V состоит из 3 страниц: | Показать графический каталог по подогревателю: |



Графический каталог HYDRONIC D5 W S 12V состоит из 3 страниц: | Показать графический каталог по подогревателю: |


