x
Запись на установку
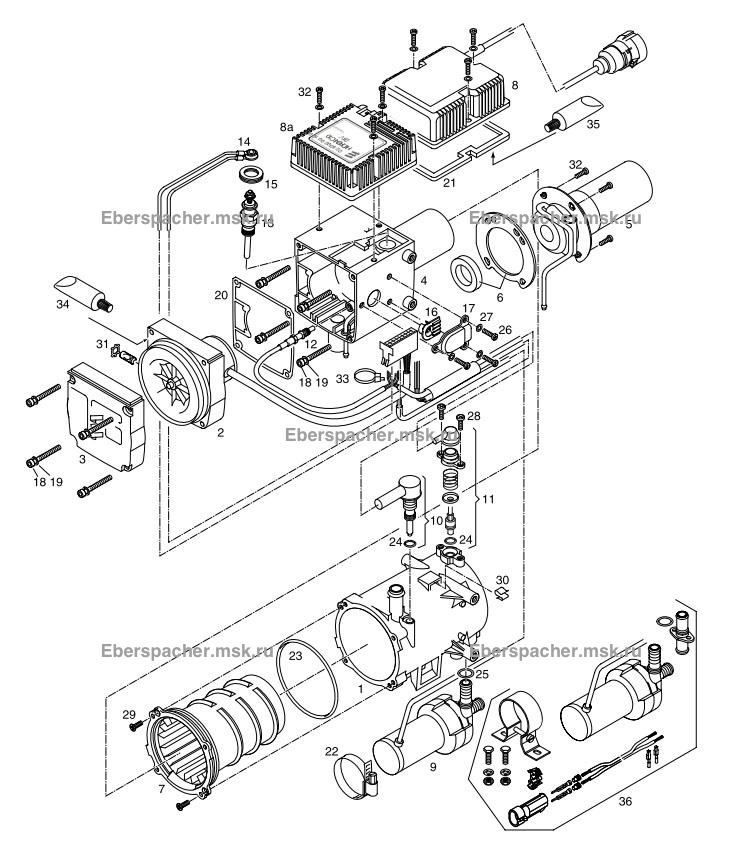
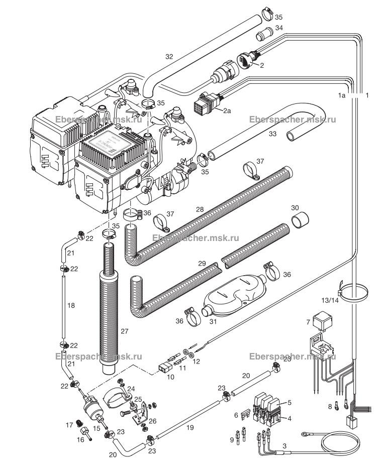
Графический каталог Hydronic 10 12V 252160
Показать табличный каталог запчастей Hydronic 10 12V 252160Графический каталог Hydronic 10 12V 252160 состоит из 2 страниц: | Показать графический каталог по подогревателю: |


Графический каталог Hydronic 10 12V 252160 состоит из 2 страниц: | Показать графический каталог по подогревателю: |

