x
Запись на установку
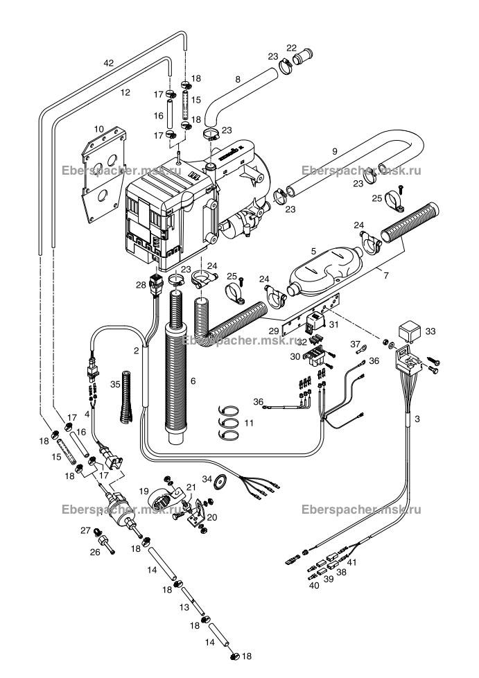
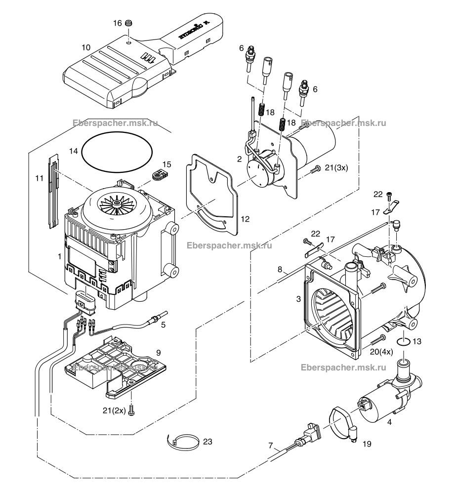
Графический каталог HYDRONIC M-II M8 12V
Показать табличный каталог запчастей HYDRONIC M-II M8 12VГрафический каталог HYDRONIC M-II M8 12V состоит из 2 страниц: | Показать графический каталог по подогревателю: |


Графический каталог HYDRONIC M-II M8 12V состоит из 2 страниц: | Показать графический каталог по подогревателю: |

