x
Запись на установку
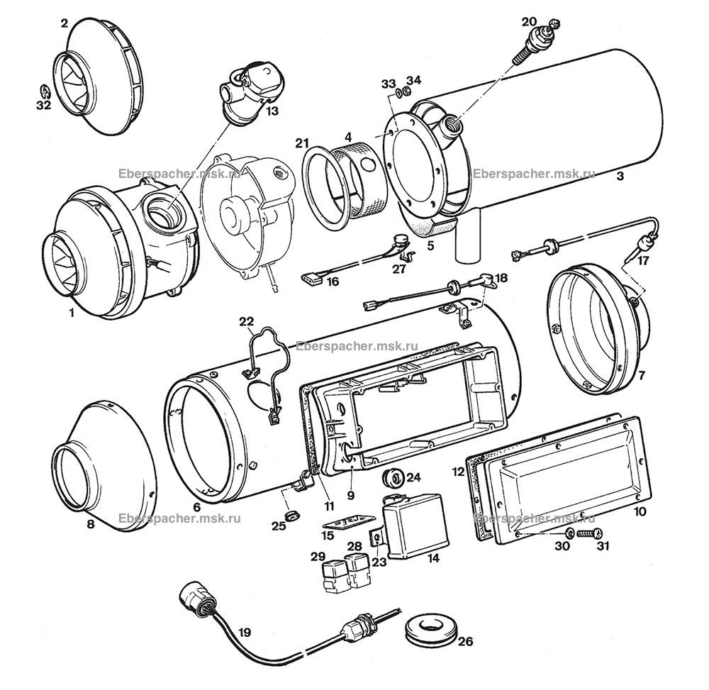
Графический каталог B8 L C 12В
Показать табличный каталог запчастей B8 L C 12ВГрафический каталог B8 L C 12В состоит из 2 страниц: | Показать графический каталог по подогревателю: |


Графический каталог B8 L C 12В состоит из 2 страниц: | Показать графический каталог по подогревателю: |

