x
Запись на установку
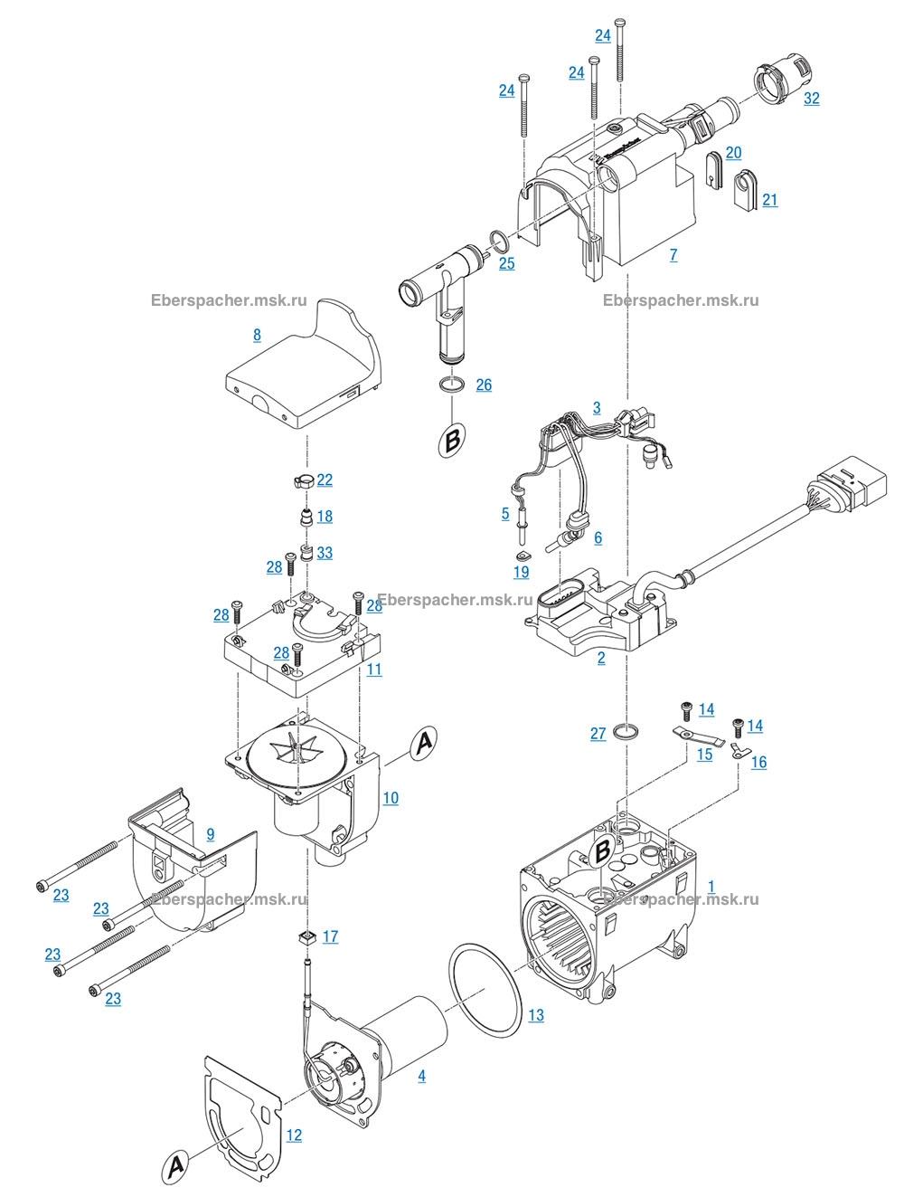
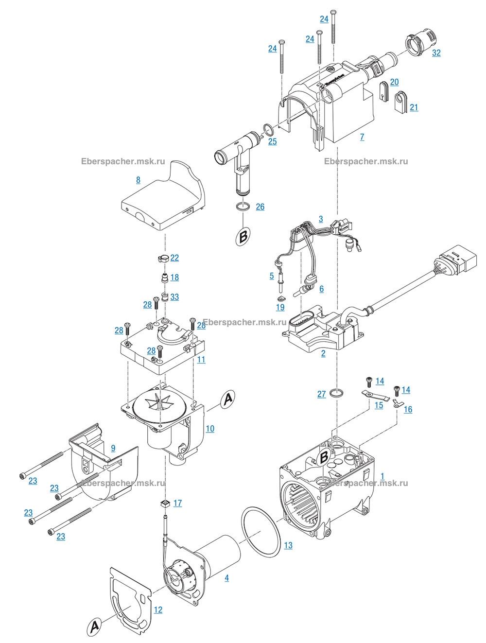
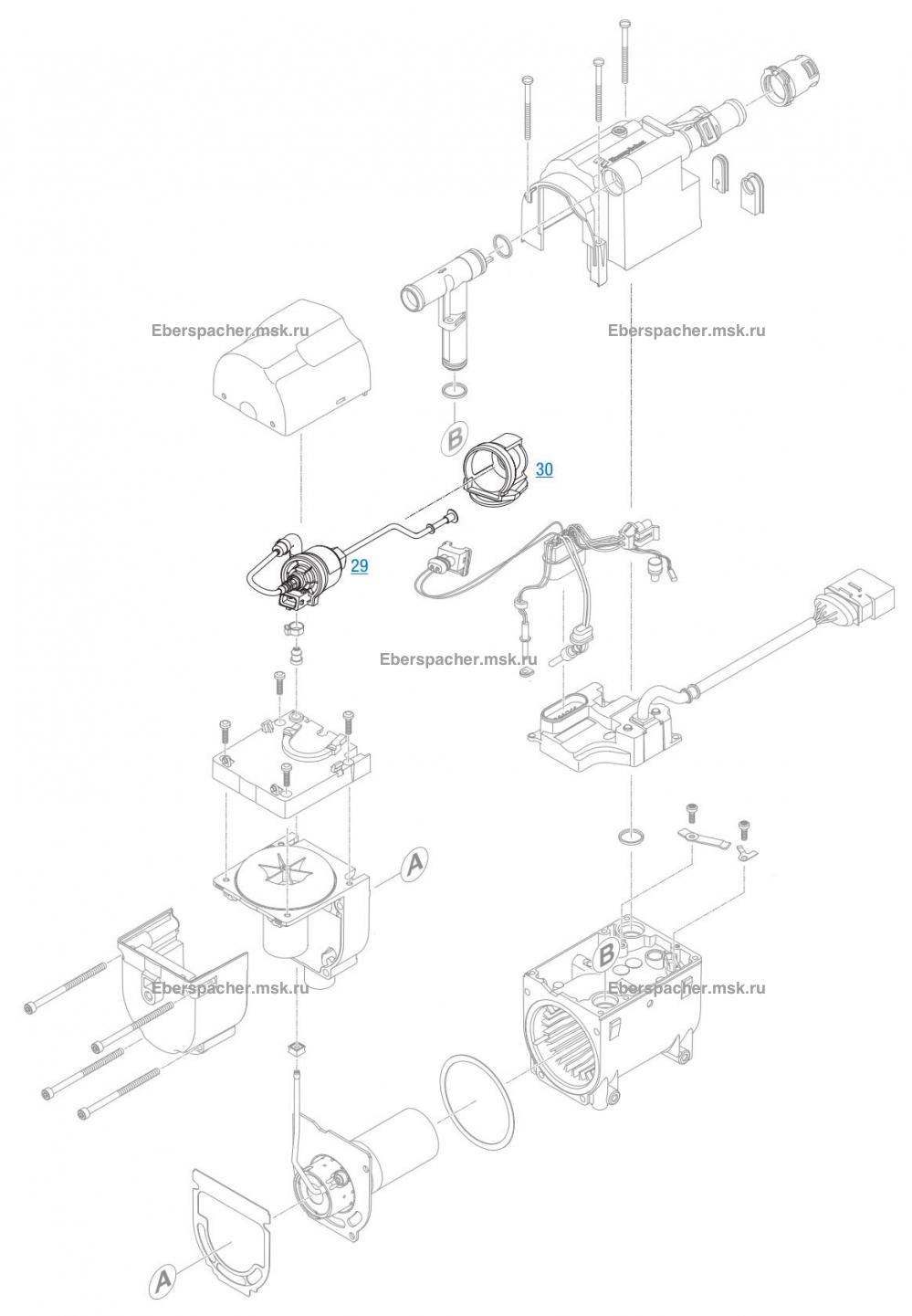
Графический каталог Hydronic II D 5 SC 12V
Показать табличный каталог запчастей Hydronic II D 5 SC 12VГрафический каталог Hydronic II D 5 SC 12V состоит из 3 страниц: | Показать графический каталог по подогревателю: |



Графический каталог Hydronic II D 5 SC 12V состоит из 3 страниц: | Показать графический каталог по подогревателю: |


