x
Запись на установку
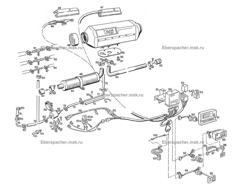
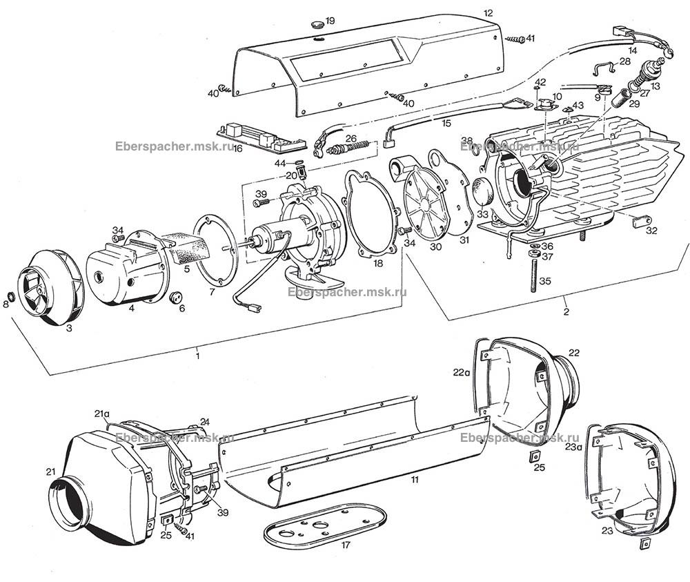
Графический каталог D5 L C 24V
Показать табличный каталог запчастей D5 L C 24VГрафический каталог D5 L C 24V состоит из 2 страниц: | Показать графический каталог по подогревателю: |


Графический каталог D5 L C 24V состоит из 2 страниц: | Показать графический каталог по подогревателю: |

